1台电机启动
启动要求:启动电流不要太大;足够的启动扭矩;动态转矩T很小,但实际情况正好相反。启动电流大,动态转矩T也大。
启动方法:
直接起动:起动电流大,约4 ~ 7 in,适用于小容量电机。
降压启动:自耦变压器降压启动;串联电阻或电抗器降压起动;
Y-降压启动;
低频启动:降低电机(变频器)的启动频率。低频起动的优点:速差n限定在一定范围内,起动电流也限定在一定范围内,动态转矩T小,起动过程平稳。这样就设定了变频器的加速和减速时间。

2.电机制动器
电机的制动状态是指电磁转矩T与转子转速n相反的状态
制动模式:
DC制动:又称能耗制动,制动的目的是使电机停止转动,可用于变频调速系统;
反馈:也叫再生制动,制动的目的是使电机在制动时将能量反馈给电网。可用于变频调速系统;
反向制动:能使电机快速停止,通常不用于变频调速系统;

1.DC制动原理介绍:本质:转子中储存的机械能转化为电能,消耗在转子电阻上。这种制动方式适用于变频器制动时输出DC的应用。
2.反馈制动变频器通过反馈制动单元将再生制动的再生电能反馈给电网,使整个调速系统处于反馈制动状态。用于大中型控制系统的制动(可使用大功率变频器)。
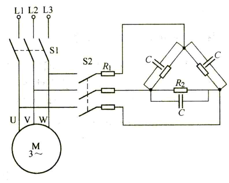
3.电容制动(见图):这种制动方式可供变频器借鉴。

4.逆变器制动(见图)。

