空调步进电机控制电路故障分析
步进电机广泛应用于空调中,如扫地电机、电子膨胀阀等。它利用脉冲产生的角位移来驱动转子步进旋转。它的控制原理是什么?有哪些常见故障?本文就是通过对电路原理和常见故障的深入分析,希望能给你在售后维修方面一些帮助。

:
二、步进电机的好坏判别
1.主板上步进电机的插座代码,线圈工作电压为12V DC。用万用表测量五根引线之间的电阻,结果如下表所示。通常扫频步进电机的绕组电阻是几百欧姆,电阻膨胀阀的电阻是几十欧姆。
2.通常情况下,灰色线接DC 12V电压,其他颜色线接逆变驱动器;不同厂家的步进电机测得的电阻值可能不一样,但只要符合规则就行。
3.此外,还要测量绕组与外壳之间的绝缘是否符合要求。如果有泄漏,可能会发生跳闸或E6故障。

:
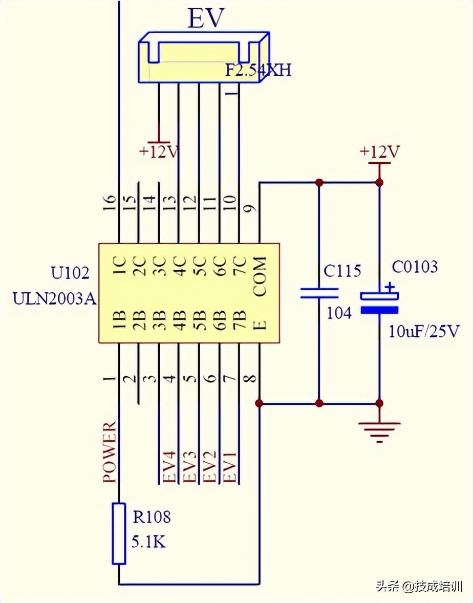
三、控制电路常见故障
1.马达不转动。在排除电机故障的情况下,检查反向驱动器2003是否损坏。测得的输出为高电平,如果输出为高电平,则器件损坏。
2.此外,如果电源有任何异常,请检查电源电路。
四、知识拓展
五线四相与六线四相步进电机的区分方法:
1.一般有6线软驱步进电机。它的绕组分为两组,每组三根线。三条线中的一条和另外两条电阻相等,这条是普通线。行号为0。
2.将0线接9V~ 12V电,将该组另外两条线分别接负极电。这条顺时针转动的线标为,命名为a,根据这个判断,另一组线圈标为,命名为b,剩下的两根线就是对应绕组的c和d。
3.将两根0号线连在一起,然后按照五线四相单极步进电机第二种测量方法验证ABCD线序。
